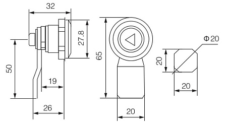
Назначение:
Предназначены для запирания электрических сборок, шкафов с целью защиты от несанкционированного проникновения и для защиты от попадания пыли и влагиа так же используются для запирания почтовых ящиков.
Применение:
Шкафы, щиты, сборки, панели;
Для использования в быту.
Материалы:
Замки выполнены из оцинкованного металла, устойчивого к коррозии;
Ключи выполнены из никелированной стали.
Преимущества:
Герметичная конструкция замка;
Дополнительная защита от коррозии благодаря оцинкованному покрытию;
Высокая степень защиты IP66.
- Бренд:
- HLT
- Артикул:
- 081-25-03
Загрузка комментариев...







