Купить расширительные пластины для ва57-35 габ.225 в Минске по выгодной цене
Понедельник-Четверг:
8.30-17.00
Пятница:
8.20-16.00
г.Минск, ул.Кижеватова 7, кор.2
elos@mail.ru
г.Минск, ул.Кижеватова 7, кор.2
Время работы: 8.30-17.00
elos@mail.ru

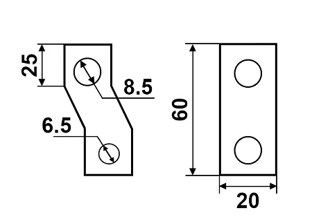
Расширители выводов – это элемент токоведущей системы выключателей автоматических в литом корпусе. Применяются для организации подключения кабелей и шин, также предназначены для увеличения расстояния между выводами. Расширители выводов позволяют одновременно подключить несколько проводников к выводам выключателей автоматических.
Комплект - 6шт.

Бренд:
SHСET
Артикул:
S0003451
Загрузка комментариев...

Есть вопросы — спрашивайте!

Наши специалисты помогут Вам, окажут бесплатную консультацию или запишут на приём
Вернуться

Последние просмотренные товары

220024, Республика Беларусь, г. Минск, ул.Кижеватова, д.7, корп.2
Рейтинг 4,7★★★★★ на основании 20 отзывов