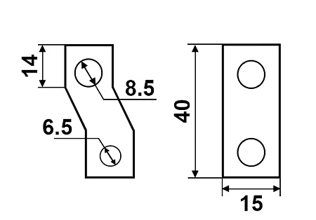
Расширители выводов – это элемент токоведущей системы выключателей автоматических в литом корпусе. Применяются для организации подключения кабелей и шин, также предназначены для увеличения расстояния между выводами. Расширители выводов позволяют одновременно подключить несколько проводников к выводам выключателей автоматических.
Комплект - 6шт.
Комплект - 6шт.
- Бренд:
- SHСET
- Артикул:
- S0003450
Загрузка комментариев...















